- 1 zone stéréo
- 6 entrées stéréo
- 2 entrées micro
- 1 sortie stéréo
- 1RU
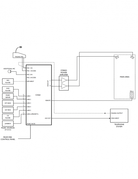
Le CX261 offre six entrées ligne stéréo, deux entrées microphone et une seule sortie stéréo.
EN BREF :
- Mélangeur stéréo 1 zone
- 6 entrées ligne stéréo asymétriques avec gain individuel
- 2 entrées micro symétriques avec EQ
- 1 sortie zone stéréo symétriques
- L'entrée MIC 1 peut être configurée en entrée ligne isolée par transformateur (avec réglage de gain séparé) pour la connexion à un système téléphonique.
- Priorité MIC 1 sur MIC 2 (sélectionnable).
- Priorité ligne 6 sélectionnable pour la zone 1
- Entrée de commande de coupure du son (NO/NC)
- Compatible avec les claviers de contrôle Cloud RL-1 et RSL-6
- Modules EQ optionnels pour enceintes Bose, Amina et Active Audio
- Gamme
- CX Series
- Bande Passante
- 20Hz - 20kHz ±0,4dB
- Nombre d'Entrée(s)
- 6
- Entrée(s) Micro
- 2
- Nombre de Sortie(s)
- 1x Stéréo
- Nombre de Zone(s)
- 1
- Unité(s) Rack
- 1U
- Poids
- 2.1 kg
- Garantie
- 5 ans
Claviers Muraux de Commandes Déportées
CLOUD
Array
PFCLORL-1B
Le clavier mural RL-1B offre un potentiomètre de réglage de volume de zone. EN BREF :- Clavier mural encastrable de commande déportée- 1 réglage de volume de zone locale- Se raccorde à un port Facility de tout appareil Cloud compatibles (voir la liste dans l'onglet "Produits Liés") à l'aide d'un câble CAT5 (100m maxi).- Dimensions (HxLxP) : 86 x 86 x...
Claviers Muraux de Commandes Déportées
CLOUD
RL-1W
Array
PFCLORL-1W
Le clavier mural RL-1W offre un potentiomètre de réglage de volume de zone. EN BREF :- Clavier mural encastrable de commande déportée- 1 réglage de volume de zone locale- Se raccorde à un port Facility de tout appareil Cloud compatibles (voir la liste dans l'onglet "Produits Liés") à l'aide d'un câble CAT5 (100m maxi).- Dimensions (HxLxP) : 86 x 86 x...
Claviers Muraux de Commandes Déportées
CLOUD
RSL-6B
Array
PFCLORSL-6B
Le clavier mural RSL-6B offre deux potentiomètres pour le réglage de volume et la sélection de la source audio d'une zone. EN BREF :- Clavier mural encastrable de commandes déportées- 1 réglage de volume de zone locale- 1 sélecteur de sources (jusqu'à 6) de zone locale- Se raccorde à un port Facility de tout appareil Cloud compatibles (voir la liste dans...
Claviers Muraux de Commandes Déportées
CLOUD
RSL-6W
Array
PFCLORSL-6W
Le clavier mural RSL-6W offre deux potentiomètres pour le réglage de volume et la sélection de la source audio d'une zone. EN BREF :- Clavier mural encastrable de commandes déportées- 1 réglage de volume de zone locale- 1 sélecteur de sources (jusqu'à 6) de zone locale- Se raccorde à un port Facility de tout appareil Cloud compatibles (voir la liste dans...
