- 1 zone | 2 entrées
- 1 entrée micro
- 1x80W @ 4Ω
- RS232, Ethernet
- DSP
- 1/2 RU
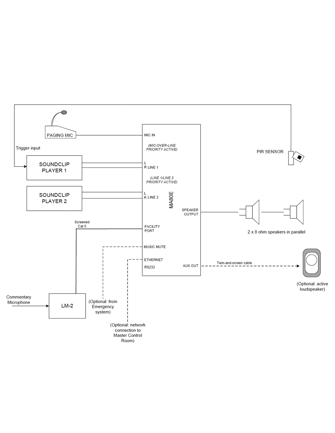
Le MA80E intègre une amplification mono de 1 x 80 W sous 4Ω (Lo-Z). Il est équipé de deux entrées ligne, d'une entrée micro , d'une sortie auxiliaire, d'un port Facility pour claviers muraux déportés et d'un port Ethernet.
Le serveur web interne offre des options de configuration supplémentaires et le contrôle de la section DSP de l'amplificateur.
EN BREF :
- 1 x 80W @ 4Ω
- 2 entrées ligne stéréo asymétriques avec gain individuel
- 1 entrée micro symétrique avec gain et EQ individuels
- Priorité à l'entrée 1 sélectionnable
- 1 port Facility pour claviers muraux M-1, LM-2 et BT-2F
- Certifié ENERGY STAR®
- Ethernet / RS232 (Contrôle du niveau, de la source et de l'égalisation)
- Entrée de commande de coupure du son (N/O ou N/C) pour interface avec système d'urgence
- Sortie auxiliaire symétrique
L'amplificateur MA80E peut délivrer 80 W sous une charge de 4 ohms. L'étage d'amplification est entièrement protégé contre les surtensions et bénéficie également d'une protection thermique. Une fonction de temporisation à l'allumage coupe le signal de sortie lors de la mise sous tension et hors tension afin de protéger les haut-parleurs. Le serveur web interne permet un contrôle nettement amélioré du MA80E, incluant des options de configuration supplémentaires et le contrôle de la section DSP de l'amplificateur.
L'amplificateur combine deux entrées ligne stéréo asymétriques avec une entrée microphone symétrique. Les entrées stéréo sont sommées en mono en interne pour former le canal audio. L'entrée LIGNE 1 peut être priorisée sur l'entrée LIGNE 2 via un commutateur DIP situé sur le panneau arrière, permettant ainsi la connexion de modules de mémorisation de messages, etc. Le signal d'entrée du microphone est ensuite mixé avec le canal audio, mais peut être configuré (via un autre commutateur DIP) pour être automatiquement prioritaire sur les entrées ligne lorsqu'un signal microphone est présent, permettant ainsi son utilisation pour les annonces. Une alimentation phantom 24 V est disponible sur l'entrée microphone et sélectionnable par cavalier interne.
Face Avant
Des commandes en façade permettent de régler les niveaux des entrées micro, ligne 1 et ligne 2. Des égaliseurs basses et hautes fréquences sont également présents pour le canal audio, permettant d'optimiser la réponse de l'amplificateur en fonction des enceintes utilisées et de l'acoustique de la pièce. Une LED de crête s'allume lorsque la protection contre l'écrêtage dynamique de l'amplificateur se déclenche, signalant ainsi clairement l'apparition de distorsion.
Sortie Auxiliaire
Une sortie auxiliaire symétrique permet de connecter des amplificateurs de puissance supplémentaires, d'alimenter des enceintes actives ou pour toute autre application. Le signal disponible sur cette sortie est le même mélange des entrées micro et ligne alimentant l'étage d'amplification, mais la source peut être modifiée via les pages du navigateur web (voir ci-dessous). Ainsi, les commandes d'égalisation du canal musical en façade sont désactivées pour la sortie auxiliaire, tout en continuant d'affecter la sortie principale.
Serveur Web Embarqué
Un ensemble de fonctionnalités est disponible une fois les pages web protégées par mot de passe accessibles via le port Ethernet. Selon les fonctions que l'installateur souhaite déléguer au contrôle logiciel, certaines ou toutes les commandes physiques du MA80E peuvent être désactivées. L'utilisateur peut ainsi configurer l'amplificateur selon les besoins et les spécificités de son installation.
La page de contrôle principale est divisée en sept onglets. L'onglet Entrées ligne permet le contrôle à distance du niveau d'entrée et la sélection de la source (Ligne 1/Ligne 2/mixte/aucune). L'onglet Entrée micro propose des commandes de niveau et d'égalisation pour l'entrée micro. L'onglet Égalisation de la pièce permet de contrôler l'égalisation en mode « simple » (deux bandes) ou avancé (sept bandes), offrant ainsi une égalisation extrêmement précise adaptée à l'acoustique de la pièce. L'onglet Égalisation musicale est une page en lecture seule affichant les réglages des commandes d'égalisation du panneau avant, mais il est possible de les désactiver. L'onglet Égalisation des haut-parleurs permet d'optimiser les canaux de l'amplificateur en fonction des haut-parleurs utilisés. Certaines courbes d'égalisation des haut-parleurs peuvent être rappelées comme préréglages (si elles ont été installées via une mise à jour du firmware) ; elles peuvent également être saisies manuellement dans une section dédiée de l'égaliseur cinq bandes à l'aide des données fournies par le fabricant.
Un filtre high-pass à fréquence variable est intégré pour éliminer les basses fréquences : ceci est particulièrement utile lorsque l’amplificateur est utilisé pour alimenter des systèmes 100/70/25 V via un transformateur externe. L’onglet Sortie auxiliaire permet le réglage du niveau et la sélection de l’égalisation (pré/post) pour le signal de sortie auxiliaire symétrique, tandis que l’onglet Master propose un bouton de coupure du son (Muet) qui affecte la sortie de l’amplificateur.
D’autres pages web permettent la configuration générale de l’appareil, notamment l’étiquetage des canaux, les paramètres Ethernet, la définition des conditions de mise sous tension et le débit du port série. Un système de mots de passe multi-utilisateurs est prévu : chaque utilisateur peut se voir attribuer des droits d’accès spécifiques lors de l’installation afin d’empêcher toute modification non autorisée du système.
Port Facility (RJ-45)
L'une des caractéristiques particulièrement utiles du MA80E est son port Facility, permettant de connecter un clavier mural distant Cloud LM-2 (pour les sources filaires) ou Cloud BT-1 (pour les sources sans fil Bluetooth) via un câble Cat 5 blindé. Microphones et/ou sources audio telles que micros sans fil, tables de mixage DJ, lecteurs MP3, ordinateurs portables ou autres sources audio – y compris les ordinateurs portables, tablettes et smartphones compatibles Bluetooth – peuvent alors être connectés localement, simplifiant ainsi l'utilisation de l'espace pour les présentations nécessitant l'utilisation de sources audio portables. Le port RJ45 est équipé d'un seuil de bruit fixe pour éliminer les bruits de fond en l'absence de signal d'entrée. Les claviers LM-2 permettent également le contrôle à distance du niveau sonore et la sélection LINE 1/LINE 2.
Port RS232
Outre les fonctionnalités de contrôle offertes par les pages du navigateur Web, le MA80E peut également être piloté par commandes série RS-232, applicables soit au port série standard de l'appareil, soit via Ethernet. Comme la plupart des produits Cloud, il est équipé d'une entrée de coupure du son (Music Mute), permettant ainsi la conformité aux réglementations locales en matière de sécurité incendie ; l'entrée microphone reste active lorsque la coupure du son est activée. Une LED de coupure du son en façade s'allume lorsque cette fonction est activée.
Sécurité
Pour faciliter l'installation du MA80E conformément aux réglementations locales, un kit d'adaptation pour encastrement (référence CA947034) est disponible en option. Ce kit peut être installé ultérieurement sur le panneau arrière, remplaçant le connecteur d'entrée IEC par une connexion secteur non amovible à l'amplificateur. Le MA80E peut ainsi être installé de façon permanente au plafond ou dans des espaces similaires.
Le MA80E est très économe en énergie et consomme très peu d'énergie en veille. Une fonction de mise hors tension automatique, sélectionnable par l'utilisateur, place l'amplificateur en mode veille à très faible consommation après une période prédéfinie d'inactivité. Une LED bicolore en façade indique l'état de fonctionnement et clignote en rouge ou en vert en cas de dysfonctionnement, la couleur dépendant de la nature de la panne.
- Gamme
- MA Series
- Amplification intégrée
- Oui
- Bande Passante
- 20Hz - 20kHz ±1dB
- Impédance
- Basse (4Ω)
- Nombre de Canaux
- 1
- Puissance
- 80W / canal @ 4Ω
- Type de Contrôle
- Interface Web
RS232 - Nombre d'Entrée(s)
- 2
- Entrée(s) Micro
- 1
- Nombre de Zone(s)
- 1
- Unité(s) Rack
- 1/2U
- Poids
- 1.35 kg
- Garantie
- 5 ans
